问鼎pg平台-免费下载
首页
产品与服务
光模块
数据包中转交换机
安全加速器
800G以太网流量测试仪
Niagara Bypass交换机
Netscout 网络设备
Uila 虚拟化性能监控
Fortinet 网络安全
iRecovery网络故障自愈系统
NetAlly手持仪表
Napatech 网络加速卡
思科Cisco
星融元
安立Anritsu
Mellanox交换机
解决方案
Niagara Networks解决方案
Netscout 解决方案
Uila解决方案
FORTINET解决方案
iRecovery 网络故障自愈系统
NetAlly解决方案
资料中心
Niagara 产品资料
Netscout 产品资料
Uila 产品资料
Fortinet产品资料
iRecovery 产品资料
netAlly产品资料
Napatech 产品资料
关于我们
公司介绍
厂商介绍
联系我们
加入我们
最新动态
产品与服务
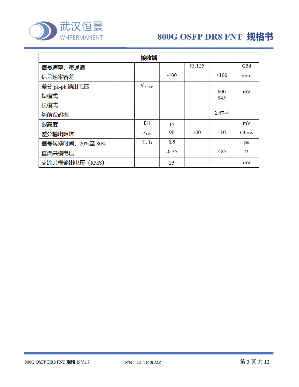
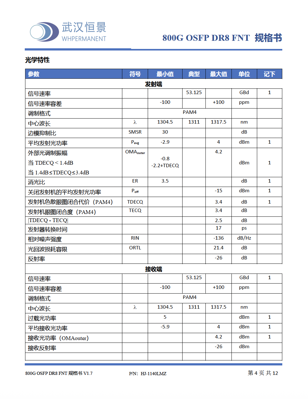
800G光模块
产品概述
产品特点